
全國免費客服電話 18268652722 郵箱:www.jungshuodz@163.com
手機:18268652722
電話:18268652722
地址:寧波市北侖區大碶廟前山路45號
人氣:


通過比較發現,優化中點偏移即部分零序電壓注入的故障處理方法,能夠在屏蔽故障單元后獲得最大的系統輸出,提高系統的容錯性能,是一種有效的故障處理方法。理想的級聯型逆變器。故障排除方法。此外,該方案還提供了零序電壓注入方法,以提高直流側電壓的利用率,從而提高系統的輸出能力。
逆變器依靠內部IGBT的開關來調節輸出電源的電壓和頻率,根據電機的實際需要提供所需的電源電壓,從而達到節能和調速的目的。此外,逆變器還具有多種保護功能。諸如過流、過壓、過載保護等。變頻器廣泛應用于機械制造、化工、礦山、能源、交通、通訊等行業以及家用電器等領域。因此,此類變頻器用于調速電源時,對電機沒有特殊要求。可用于普通高壓電機,無需降額使用,輸出電纜長度無特殊限制。
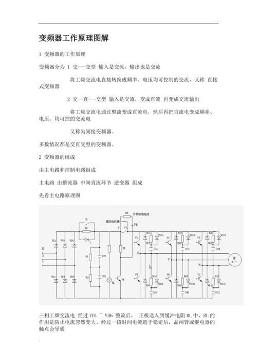
該單元系列高壓逆變器的每個功率單元均采用載波移相PWM技術進行控制。對于圖1所示的逆變器,參考波電壓由n對依次相移60/n的三角形載波調制。主要電壓等級包括3000V、3300V、6000V、6600V、10000V等電壓等級的高壓大功率逆變器。它們是利用功率半導體器件的通斷功能將工頻電源轉換為另一個頻率的電源控制器件。
本文設計的基于PCI-9846的逆變器輸出性能測試系統主要針對單元系列高壓逆變器在采用三種不同故障處理方法時的輸出電能質量各項指標的實時監測和分析,特別是當單位發生時。故障發生后,系統輸出電壓的性能指標應盡可能與故障前一致,以減少故障對系統工作的影響。在控制器軟硬件設計的基礎上,進行了單相雙功率單元的空載實驗。通過示波器觀察相電壓的輸出波形,并對結果進行詳細分析。
根據電壓等級等條件,系列多電平變頻器可分為4級、5級、6級、8級、9級、10級或12級、20級。 變頻器故障碼采集變頻器變頻驅動器(Variable-Frequency Drive,VFD)是應用變頻技術和微電子技術,通過改變電機工作電源的頻率來控制交流電機的電力控制裝置。
如果逆變器始終不提供高壓合閘允許信號,請確認逆變器控制電源是否合閘、柜門是否關閉、旁路柜隔離開關是否正確到位、逆變器本身是否處于閉合狀態。故障狀態,是否與逆變器有關。系統信號正確。本文檔主要內容詳細介紹了變頻器故障排除與維護指南免費下載,包括: 1、電機和變頻器的基本概念。
為了解決高壓大功率電機軟啟動技術難以實現的問題,本文介紹了一種基于單元級聯高壓變頻器的電機軟啟動應用方法。它利用高壓大功率變頻器的特點,將其用作高壓大功率電機。慢啟動。
相關推薦