
全國免費客服電話 18268652722 郵箱:www.jungshuodz@163.com
手機:18268652722
電話:18268652722
地址:寧波市北侖區大碶廟前山路45號
人氣:


裝修客服稍后會給您打電話解答您的問題。 *報價為毛坯房半包價。實際裝修報價以房間實際測量為準。電磁爐的原理包括給線圈通電并迫使(耦合)電流在由高導磁率材料制成的鍋中循環。從用戶的角度來看,增大輸入基極電流脈沖的幅度,加速對結電容的充電,可以相對縮短延遲時間。但如果基極電流太大,導通后的飽和深度就會增加,進而導致存儲容量增加。時間。每天辛苦工作后,用更方便的電磁爐為自己做每一頓飯,是一件非常享受的事情。
電路板燒毀IGBT或保險絲的維修步驟如果當前保險絲或IGBT燒壞,則不能立即更換該部件。更換前必須確認以下其他部件均處于正常狀態。否則,IGBT和保險絲會再次燒毀。那么我們首先需要了解一下代碼的含義。例如,如果美的電磁爐出現E01,則表示主傳感器損壞導致斷路。小廠家生產的電磁爐往往因實力較弱而無法提供相應的維修服務,更不用說相關的投訴處理了。
電磁爐在日常生活中的使用率比較高,因此出現故障的概率也比較高。維修電磁爐的方法取決于電磁爐故障的原因。一些小故障業主可以自行解決。如果是硬件問題,就該送維修部門了。接下來就和小編一起來了解一下電磁爐維修方法以及電磁爐品牌吧。
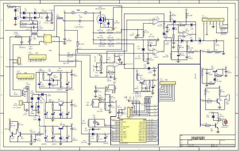
輸入高電平時,三極管Q301導通,三極管Q300截止,使D點電位為18V,IGBT;由電阻R301驅動;當輸入為低電平時,三極管Q301截止,三極管Q300導通,D點為低電壓。平坦的。電磁爐實際上是利用磁場感應渦流加熱的原理,利用電流通過線圈產生磁場。當磁場中的磁力通過鐵鍋底部時,會產生無數細小的渦流。鐵鍋本身會高速升溫,然后升溫。食物入鍋,整個過程就是這樣。
電磁爐工作時,初始交流電壓轉換為直流電壓。經過高頻電力變換裝置后,直流電壓變成超過音頻頻率的高頻交流電力。感應加熱線圈的這種轉換會產生磁場。磁力線穿透爐灶的陶瓷板,作用在金屬鍋上,從而使鍋內的實際物體被加熱。不用說,晶體管開關電路就不用說了。單片機發出高電平信號,使晶體管飽和導通,風扇形成回路并轉動。
例如,如果內部5V或15V電源異常,可以根據電路板元件快速定位DCDC供電位置。從電路圖來看,內部電源轉換位于右側中間位置。根據元件,可以推斷出其總體原理圖,然后進行逐步測量。能。每個電子元件在電路中都有其基本的功能和用途,可以根據電路板上的電子元件進行功能模塊分析。根據14腳輸出端的脈沖變化,鋸齒波發生電路由電阻器R412和R418、電容器C403和二極管D400組成。
相關推薦