
全國免費客服電話 18268652722 郵箱:www.jungshuodz@163.com
手機:18268652722
電話:18268652722
地址:寧波市北侖區大碶廟前山路45號
人氣:


母線及電力元件周圍,對水質安全要求較高,不允許斷流。監控回路和工藝流程復雜,故障概率也較高。同時發出斷高壓、合禁止指令,并記憶故障信息和高壓斷指令。仔細監控并記錄逆變器人機界面的顯示參數,發現異常立即報告;該單元系列高壓逆變器的每個功率單元均采用載波移相PWM技術進行控制。對于圖1所示的逆變器,n參考波電壓由相移為60/n的三角載波依次調制。
對于kV電壓等級的逆變器,向18個功率單元供電的18個次級繞組分為3組,分為6個不同的相組,相互相差10度電角,形成36脈沖整流器電路結構,輸入電流波形接近正弦波。這種等效分相供電方式大大降低了總諧波電流畸變率,變頻器輸入功率因數可達0.95以上。變頻器中的所有功率單元具有相同的電路拓撲,并實行模塊化設計。目前,AC-DC-AC是最常見的形式。下面簡單介紹一下這種形式的工作原理。
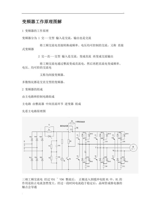
三相高壓電進入高壓開關柜,經輸入降壓、移相后向功率柜內的功率單元供電。變頻器是指可以改變電源頻率的電氣裝置,用于調節電機的轉速和出力。力量。因此,交流變頻器至今僅限于低速調速應用,從而大大限制了其使用范圍。
如果每相6個單元串聯,每個功率單元將承擔全部輸出電流,但僅承擔輸出相電壓的1/6和輸出功率的1/18;對于6KV電機系統,各單元輸出電壓0590V可調,頻率050Hz可調,從而實現變頻控制。它因在變頻器的直流環節中使用電容元件而得名。其特點是不能四象限運行。當負載電機需要制動時,需要安裝單獨的制動電路。
傳統的故障處理方法是將故障單元與另外兩相相應的非故障單元屏蔽,以維持逆變器的平衡運行。這勢必造成非故障機組的浪費,因此對級聯逆變器的正常運行和運行產生負面影響。研究故障排除方法很有必要。每個功率單元由輸入變壓器的一組次級繞組供電,并且功率單元與變壓器的次級繞組彼此絕緣。
可見,移相變壓器在該變頻器中起著兩個關鍵作用:一是電氣隔離功能可以使各變頻功率單元相互獨立,實現電壓疊加和串聯;其次,移相連接方式可以有效消除35次以下諧波。隨著科學技術的提高和時代的進步,電子技術產業迅速發展,高壓逆變器也逐漸成熟,解決了過去遺留下來的高壓問題。目前,高壓變頻器廣泛應用于冶金、鋼鐵、石化、電力等領域。廣泛應用于能源等行業。
凌華科技的模塊化儀器PCI-9846具有采樣率高、采樣精度高、兼容性好等優點。該器件最高采樣頻率為40MHz,內置4個16位高精度A/D,具有高線性度。可實現四通道同時采樣,在高頻信號采集方面具有很大優勢。非常適合串級逆變器三相輸出輸出的高頻信號采集和處理。
相關推薦