
全國免費客服電話 18268652722 郵箱:www.jungshuodz@163.com
手機:18268652722
電話:18268652722
地址:寧波市北侖區大碶廟前山路45號
人氣:


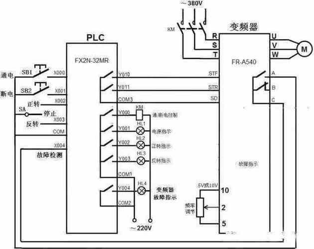
可編程控制器的存儲器可分為系統程序存儲器、用戶程序存儲器和工作數據存儲器。變頻器不能通過編程來改變電源的頻率、電壓和其他參數。其輸出頻率可以設置為固定值。最先進的可編程控制器使用可隨時讀寫的閃存作為用戶程序存儲器。閃光。有一組由變頻器控制的電機,需要采用PLC模擬量控制。控制圖如下。當設備報警時,按復位按鈕,逆變器報警復位,設備可繼續運行。
在自動狀態下,按啟動鍵,啟動電機以20HZ運行10秒,然后以50HZ運行5分鐘,頻率變為20HZ并運行5秒,然后頻率變為0HZ運行2秒,然后反轉運行20HZ 10S。然后反轉50HZ的頻率運行5分鐘,然后以20HZ的頻率運行10S,然后停止2s,然后返回第一步繼續循環。變頻器不能通過編程來改變電源的頻率、電壓和其他參數。其輸出頻率可設定為固定值或通過。
運行狀態下按下M3停止按鈕,如果不是步驟2、6動作,直接復位運行標志M10即可停止動作(步驟2、6運行頻率比較高,不能停止。(先減速),如果是步驟2或6,設置M11,控制頻率降低為20HZ(2000表示20HZ,變頻器通用頻率控制),在手動狀態下,設置相應的頻率,按按正轉按鈕,電機按相應頻率運行;按反轉按鈕,電機按指定頻率反轉。
范圍比變頻器更大,可以用來控制更多的東西。當然它的應用領域更廣,性能更強大。設置為1,表示AVI端子作為頻率源輸入,設置參數03-28為0,表示接收0-10V電壓信號,00-03默認為100%,這樣0~10V電壓就可以控制電機頻率0~50HZ。該器件采用可隨時讀寫的閃存作為用戶程序存儲器。閃存不需要備用電池,減少了電視機的數量。
組件映像寄存器用于存儲開關量、輸出狀態以及定時器、計數器、輔助繼電器等內部器件。文檔格式:pdf 文檔大小:190.65K 文檔頁數:3 頁喜歡/不喜歡:0/0 收藏數:0 評論數:0 文檔熱門度: 文檔類別:通信/電子—電子電氣自動化添加到豆蛋文檔標簽:plc變頻器接線圖系統標簽:變頻器plc接線圖控制設備通訊詳解。
相關推薦