
全國免費客服電話 18268652722 郵箱:www.jungshuodz@163.com
手機:18268652722
電話:18268652722
地址:寧波市北侖區大碶廟前山路45號
人氣:


主要硬件模塊包括處理器核心模塊、存儲模塊、觸摸屏模塊、鍵盤模塊、以太網等。 PLC系統只需通過DP網絡即可與觸摸屏連接,減少了外部信號傳輸線路,實現了資源的有機整合。該操作系統可以成功移植到觸摸屏控制器上,能夠滿足工業現場的實時性要求。觸摸屏和逆變器是通過通信連接的,所以這個問題歸結為觸摸屏作為通信主站,逆變器作為從站建立連接。電阻屏根據引線數量分為四線、五線、六線等多線電阻觸摸屏。
連接完成后,需要對觸摸屏進行校準,以保證系統能夠準確識別用戶的觸摸位置,提供良好的人機交互界面。觸摸屏具有良好的抗干擾特性和應用穩定性。在工業生產線乃至日常生活的不同應用環境中具有廣闊的應用前景。它是當前計算機小型化應用的替代品。為了使變頻器運行,必須具備兩個條件,即啟動信號和頻率信號。因此,變頻器觸摸屏控制的實質是在觸摸屏上實現變頻器的啟動信號和頻率信號。
純觸摸屏程序不需要鼠標光標,這只會讓用戶分心;兩種通訊可以互不影響地通訊,然后根據需要編寫相應的程序,以便觸摸屏通過PLC改變變頻器。頻率。觸摸屏作為一種特殊的計算機外設,是目前最簡單、最方便、最自然的人機交互方式。
其中,觸摸屏控制器(卡)的主要功能是接收來自觸摸點檢測裝置的觸摸信息,將其轉換為接觸點坐標,然后發送給CPU。它還可以接收來自CPU的命令并執行:觸摸檢測設備一般安裝在顯示器的前端。其主要功能是檢測用戶的觸摸位置并將其傳輸給觸摸屏控制卡。 1.概述工業觸摸屏是一種通過觸摸式工業顯示器連接人與機器的智能界面。
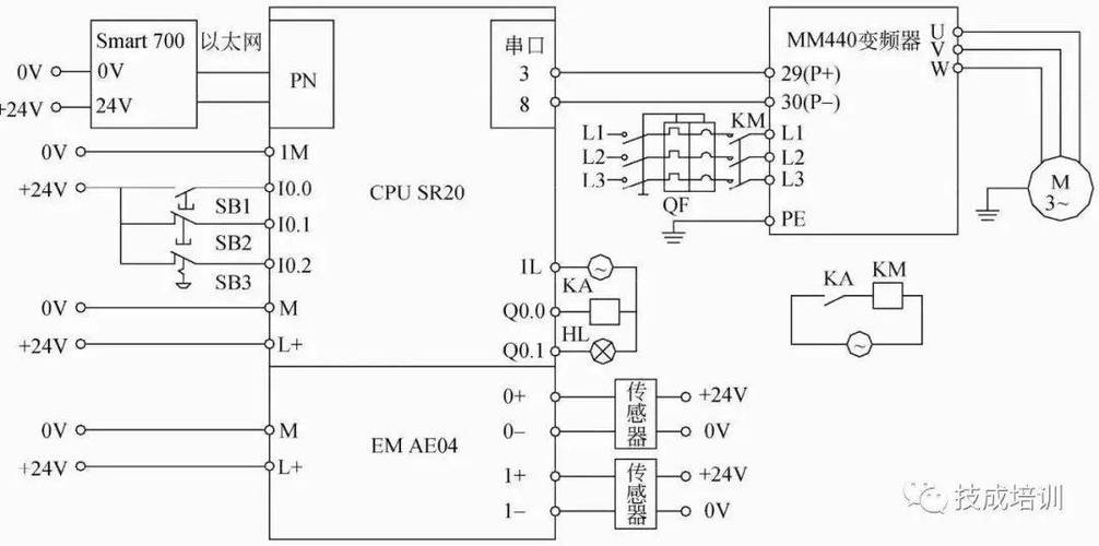
目前對變頻器的控制一般需要采用PLC與變頻器進行通訊,讀取變頻器的信息,然后觸摸屏與PLC進行通訊,完成變頻器的啟停控制,以及監控工作頻率、電流、電壓等功能。觸摸屏控制器是將觸摸信號轉換為數字信號并提供人機交互界面的設備。
五線電阻式觸摸屏的外導電層采用延展性良好的鎳金鍍層材料。由于經常接觸,外導電層為了延長使用壽命,采用了延展性好的鎳金材料,但工藝成本較高。該過程可以通過使用手指或手寫筆按照屏幕上的提示來執行,以確保系統能夠準確識別用戶的觸摸位置。鎳金導電層雖然具有良好的延展性,但只能作為透明導體,不適合作為電阻式觸摸屏的工作表面。由于其導電率高,且金屬不易達到非常均勻的厚度,因此不適合用作電壓分布層,只能用作探測器。層。
相關推薦