
全國免費客服電話 18268652722 郵箱:www.jungshuodz@163.com
手機:18268652722
電話:18268652722
地址:寧波市北侖區大碶廟前山路45號
人氣:


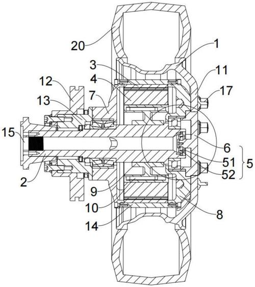
電機通過輪轂軸承內置的減速器(減速比4.2)輸出到車輪(圖10)。這樣,輪邊單元如圖11所示,內部安裝有接收線圈,形成機電一體化結構的IWM。俗話說,零件越多,失敗的風險就越大。考慮到車輛基本上都使用四輪轂電機,因此使用零件較多的減速驅動類型實際上會使風險增加一倍。前面提到,目前輪轂電機的成本比較昂貴,因為零部件的減少也是技術推動的一個方向。
該公司回復稱,公司輪轂電機驅動不存在技術風險,其耐用性和可靠性滿足整車廠的要求。但成本需要隨著批量量產逐步降低,才能大批量使用。已上市。因為鋁合金輪轂比鋼輪轂更節能、更舒適、更安全。從技術可行性的角度來看,輪轂電機可以采用減速驅動方案,但實際上更常用的是直接驅動。
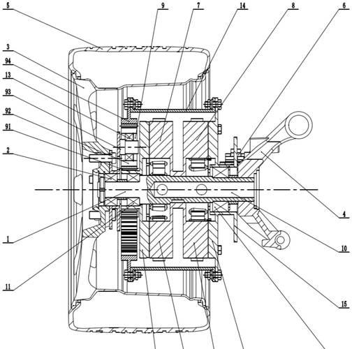
其中,外轉子電機無減速裝置,輪速與電機轉速相同;而內轉子電機則配有固定傳動比的減速機,也是我們最常見的驅動電機。公司還積極向各大整車廠推廣輪轂電機技術,并將全力爭取更多產業化項目。如果一臺電機出現故障,系統會有效地將其關閉,而其余子電機則繼續工作并補償部分損失的扭矩。通常外轉子電機也稱為直驅式,而內轉子電機則稱為減速驅動式。亞太控股():輪轂電機驅動不存在技術風險。
無論是外轉子電機還是內轉子電機,它們都是徑向磁場電機,磁通線沿徑向分布。但從輪轂電機的應用角度來看,這種集成的出發點與傳統集中布置的集成有些不同。安裝在發射側(車身側)的電力轉換電路由用于升高和降低車輛電池電壓的雙向斬波器和將直流電轉換為85kHz交流電的全橋逆變器結構組成。
在開發時(2012年~2013年),使用幾千瓦進行電力傳輸的EV無線電力傳輸相對較少。作為第一次試制,筆者制作了一個安裝在兩個后輪胎上的裝置,總最大輸出功率為6.6kW。 (每個輪胎3.3kW)單位。車身側單元和輪側的動力轉換電路和電機由東洋電機制造,內置減速器的輪轂軸承由日本精工開發。電機由定子和轉子組成。根據轉子的位置,可分為外轉子電機和內轉子電機。
試想一下,如果輪轂電機和控制器分開布置,意味著至少需要4條EMC屏蔽高壓線束進行轉接(每條高壓線束集成3相,共12條線束)。從視頻中可以清楚地看到PD18輪轂電機是一款尺寸更大的無刷直流電機。該系統基于18英寸輪胎開發,采用無齒輪傳動。可以看到轉子外定子的外面,這就是所謂的外轉子電機(永磁同步/無刷直流)。
格隆匯11月15日丨亞太控股(002284)(002284)近日接受了一項來自特定對象的調查。公司輪轂電機量產有何難點?
相關推薦