
 
 全國免費客服電話 18268652722
全國免費客服電話 18268652722 郵箱:www.jungshuodz@163.com
手機:18268652722
電話:18268652722
地址:寧波市北侖區大碶廟前山路45號
人氣:


警告!當兩臺或多臺變頻器的控制端子并聯使用時,控制連接的輔助電源應來自同一單元或外部電源。若文檔侵犯商業秘密、版權、人身權等,請點擊版權投訴(推薦)或撥打舉報熱線:400-050-0827(電話支持時間:9:00-18:30)。 ACS510斷電后,繼電器端子(RO1…RO3)上仍可能存在外部危險電壓。
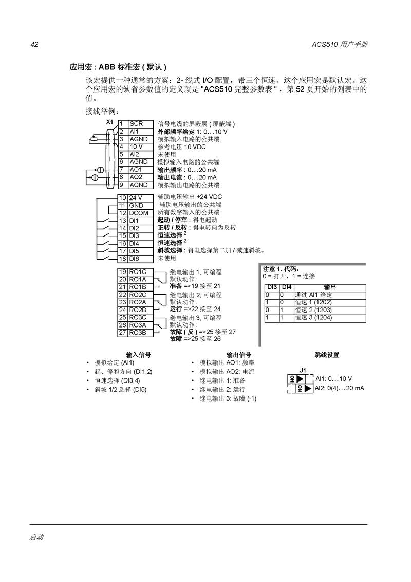
小學五年級信息技術第二卷第12課《流程調用——scratch創建與調用流程》。 ACS510變頻器適用于大多數風機、水泵和傳送帶應用,并且適合一般應用。 ACS510變頻器應用于廣泛的工業領域,并專門針對風機和水泵應用進行了優化。典型應用包括恒壓供水、冷卻風扇、地鐵和隧道通風恒壓供水、冷卻風扇、地鐵和隧道通風機等。
文檔格式:doc 文檔大小:86.0K 文檔頁數:12 點贊數:0/0 收藏數:26 評論數:0 文檔熱度: 文檔類別:辦公文檔—工作總結添加到豆蛋文檔標簽:abb變頻器acs510手冊系統標簽:變頻器手冊二進制控制字字節保持寄存器。警告!當短暫斷電后輸入電源恢復時,如果外部運行命令為ON(啟動),ACS510 將自動啟動。
DBJ50∕T 164-2021 民用建筑電線電纜防火設計標準。選件手冊(現場總線適配器、I/O 擴展模塊等,手冊隨選件一起提供) 繼電器輸出擴展模塊? 安裝? 啟動? 診斷? 技術數據ACS510 用戶手冊3 安全指南警告!僅允許具有專業技能的人員安裝ACS510!警告!
相關推薦