
全國免費客服電話 18268652722 郵箱:www.jungshuodz@163.com
手機:18268652722
電話:18268652722
地址:寧波市北侖區大碶廟前山路45號
人氣:


整流部分為三相橋不可控整流器,逆變部分為IGBT三相橋逆變器,輸出為PWM波形。中間直流環節起濾波、直流儲能和緩沖無功功率的作用。變頻調速的方法有多種。變頻調速的主要方法是給變頻器設定頻率指令。該頻率指令最常用的設定一般可以通過變頻器的操作面板給定頻率指令和脈沖信號。010V電壓模擬信號設定或024mA模擬電流信號設定、通訊模式設定及接點信號設定等。
變頻器的輸出頻率可以通過電子電路來控制,控制電路可以根據需要調節輸出頻率,以達到控制電機轉速的目的。接下來,變頻器將直流電轉換為可控交流電,輸送給三相異步電機。變頻器利用功率半導體器件的通斷功能,將固定電壓、頻率的交流電變換為電壓、頻率可調的交流電源。
在使用變頻器時,一定要注意了解變頻器的調速原理,以方便您正確操作。同時,在使用變頻器時,必須保證在規定的范圍內使用,以免損壞設備。另外,在使用變頻器時還必須對系統進行檢查。檢查內部電路及設備是否正常,確保人們使用逆變器時更加安全。當然,在逆變器的使用過程中也應該定期進行檢查和維護,以確保逆變器能夠使用更長時間。使用變頻器時,變頻器的輸出電壓和頻率逐漸加到電機上,因此電機的啟動電流和沖擊較小。
變頻器作為當今生活中重要的控制單元,其在各個場所的應用也非常重要。那么使用變頻器時我們應該注意什么呢?但為了在調速時保持電機的最大扭矩不變,電機的磁通量必須保持恒定,因此定子的供電電壓也必須相應調整。同時,變頻器還可以通過改變輸出電壓、功率因數等參數來改變電機的輸出扭矩和負載能力,以適應不同的工況。
從式(1)可以看出,轉速n與頻率f成正比。只要改變頻率f,就可以改變電機的轉速。當頻率f在050Hz范圍內變化時,電機調速范圍很寬。上述兩種變換可以簡化為交流-直流-交流(AC-DC-AC)變頻方法。通過改變矩形脈沖的高度,控制其電壓幅值;通過改變調制周期來控制其輸出頻率,從而可以在變頻器上同時控制輸出電壓和頻率,滿足變頻器調速的協調控制要求。
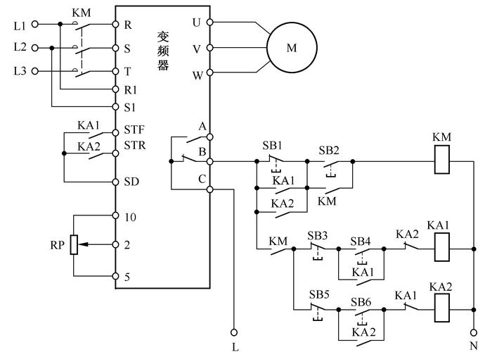
變頻調速的基本理論依據是n=60f/p。在這個公式中,只要改變電源的頻率,電機定子的旋轉磁場速度就會改變,從而電機定子轉速也會改變。變頻器一般由整流器、濾波器、驅動電路、保護電路、斷路器等組成。電機順序控制電路工作原理:合上電源開關QS,按下啟動按鈕SB1,接觸器KM1得電并進行自我保護,M1電機啟動運行。
相關推薦