
全國免費客服電話 18268652722 郵箱:www.jungshuodz@163.com
手機:18268652722
電話:18268652722
地址:寧波市北侖區大碶廟前山路45號
人氣:


AC-DC-AC變頻器在低頻運行時過載能力會降低。一般5Hz以下運行時,變頻器的過載能力減半;因此,在實際的通用變頻器中,還設置有緩沖電路等各種相應的輔助電路,以保證電路的正常工作以及發生事故時對換相裝置的保護。當溫度過高且溫度變化較大時,變頻器內部容易出現凝露,其絕緣性能會大大降低,甚至可能引發短路事故。
其特點是:中間為電解電容儲能提供母線電壓,前級采用二極管不控整流,簡單可靠,逆變器采用三相PWM調制(電流調制算法為空間電壓矢量)。采用電壓型交直流變換器,即整流變頻器,具有結構簡單、諧波含量低、定轉子功率因數可調等優良特點。可以顯著改善雙饋發電機的運行狀態和輸出電能質量,并且該結構通過直流母線側電容器將電網側和轉子側完全隔離。
從式(1)可以看出,轉速n與頻率f成正比。只要改變頻率f,就可以改變電機的轉速。當頻率f在050Hz范圍內變化時,電機調速范圍很寬。變頻器可以調節電機的功率,實現電機的變速運行,達到省電的目的。各個品牌的逆變器都非常重視保護功能,并盡力增加保護功能,提高保護功能的有效性。接線后,必須除去松動的線頭。線頭斷裂可能會導致異常、故障和故障。逆變器必須始終保持清潔。
AC-DC-AC逆變器輸出的PWM調制電壓波形的電壓變化率du/dt很高,很容易對電機和電器造成絕緣疲勞損壞;當輸出線較長時,共模反射電壓會在電機側產生較高電壓。電壓,如果是雙電平變換器,這個電壓的峰值是直流電壓的兩倍。如果是三電平變換器,這個電壓的峰值是中間半電壓的三倍;有些變頻器驅動電路模塊、智能功率模塊、整流逆變組合模塊等都具有內部保護功能。
通常,聯動選擇開關置于自動檔。當控制電源開關接通時,變頻器進入運行狀態,壓力變送器和整定電位器根據設計要求的管網壓力進行現場調試。使用振蕩器(即目前市面上的逆變器);這是一種比較先進的方法,成本較高,多用于小功率轉換;控制電路端子接線應采用屏蔽線或雙絞線,并必須與主電路連接。強電電路(包括200V繼電器程序電路)單獨接線。
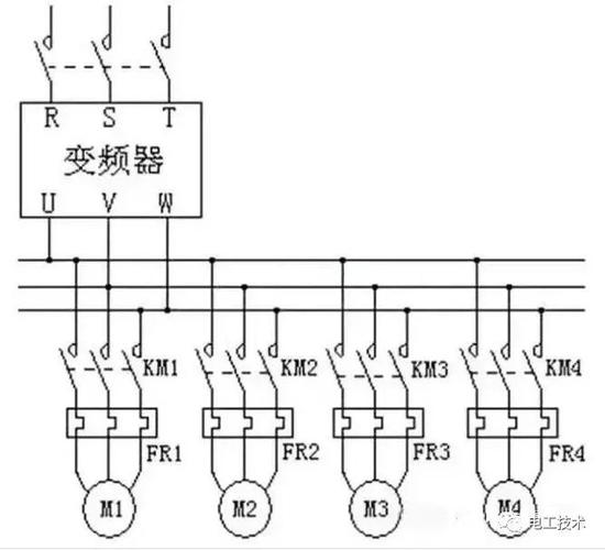
電源應連接至逆變器輸入端子的R、S、T端子,切勿連接至逆變器的輸出端子(U、V、W),否則會損壞逆變器。無功功率不僅增加線損和設備發熱,更重要的是功率因數的降低導致電網有功功率的降低。線路中消耗了大量的無功功率。設備效率低下且浪費。采用變頻調速裝置。最后,由于變頻器內部濾波電容器的作用,減少了無功功率損耗,增加了電網的有功功率。
相關推薦